| KIT #: | 72008 |
| PRICE: | $32.00 SRP |
| DECALS: | Two options |
| REVIEWER: | Scott Van Aken |
| NOTES: | Short run kit with photo etch and vacuform parts |

| HISTORY |
The Kawasaki Ki-102 (Army Type 4 Assault Aircraft) was a Japanese warplane of World War II. It was a twin-engine, two-seat, long-range heavy fighter developed to replace the Ki-45 Toryu. Three versions were planned: the Ki-102a day fighter, Ki-102b ground-attack and Ki-102c night fighter. This aircraft's Allied reporting name was "Randy".
The Ki-102 entered service in 1944, but saw limited action. The main type (102b) was kept in reserve to protect Japan, although it did see some limited duty in the Okinawa campaign. It was kept out of front line service because it was hoped that it would be the carrier of the Igo-1-B air-to-ground guided missile when the Allied invasion of Japan occurred. Over 230 were built, the vast majority (207) being the Ki-102b variant.
| THE KIT |
This
is the eighth kit that Pavla did and while there is no date anywhere, I
would think it is at least 15 years old. The molding is very fine engraved
lines that will go away once you sand over it. There is a bit of flash and
many of the larger parts have rather prominent ejector towers that will have
to be removed before assembly. The kit comes with a rather well done photo
etch set that is used for any of the small details including cockpit bits,
engine harness and the very complex 57mm cannon. Some experience using this
medium is required as several of the bits will need to be formed into a
circle when used. Annealing the fret will help to accomplish this by
softening up the metal.
For an
interior, you get a flat floor along with a number of bulkheads to separate
the pilot and the rear gunner, though no rear gun is provided. I'm not sure
what this guy in back would be doing aside from looking around and perhaps
operating the radio. Into the two compartments go a pair of seats with
etched harnesses and for the pilot a pair of etched rudder pedals. An etched
instrument panel is included with an acetate instrument section to install
behind it.
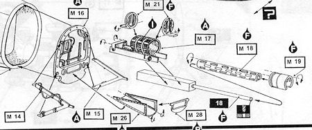
A full
step is dedicated to installation of the cannon. To even be able to see
this, the nose section will need to be cut off. Otherwise, you will not be
able to install the etched bulkhead, gun mounts and all the other etched
bits that fit onto the plastic gun form. Most of us will simply install the
gun barrel through the nose. The engine has a nice etched wiring harness.
The prop shaft will need to be made from stretched sprue or possibly wire or
tubing. The engine cowlings are in right and left halves making getting the
lip of the seam fixed up a bit of a challenge as you have to trap the engine
between the halves while building.
The main wheel wells are built up of
separate flat bits and bulkheads that are to fit int
o
the wing halves. Gear doors have separate hinges to be attached that are
photo etch as are the oleo scissors for the main gear legs. To Pavla's
credit, there are a lot of cut-away drawings showing how this and other
assemblies will look when complete. Everything is butt fitted so I will
assume that a bit of filler will be needed somewhere in the build. The pitot
tube needs to be scratch built though the kit does provide upper fuselage
antennas. Two nicely done vacuformed clear bits are provided.
Instructions are well done and mostly in Czech as you'd expect. Agama, Humbrol and FS 595 color information is provided. Markings are for two planes, both in Army Green uppers, Aluminum underside and a yellow wing leading ID band. One is the box art plane from the 45th Sentai, 3rd Chutai. The other is for the 75th Sentai, 1st Chutai. There are certainly other units, but finding fin markings may be problematic. The Propagteam decals will be very thin and well printed.
| CONCLUSIONS |
Those who want a rather complete collection of IJAAF WWII aircraft will need to look for this one. Thanks to its limited combat career, not many know about it, but it was built in some numbers and assigned to a number of units so deserves to be included in any serious WWII Japanese aircraft collection.
| REFERENCES |
http://en.wikipedia.org/wiki/Ki-102
January 2013
Thanks to me for picking this one up.
If you would like your product reviewed fairly and fairly quickly, please
contact the editor or see other details in the
Note to
Contributors.